Abrazadera de aro NXJ para acumulador

Abrazadera de aro NXJ para acumulador

Abrazadera de aro NXJ para acumulador

Ningbo Chaori hidráulica Co., Ltd. está ubicada en la ciudad de Xikou del complejo turístico nacional AAAAA, Fenghua, Ningbo. La compañía cubre un área de 18000 metros cuadrados y ha sido equipada con máquinas de fabricación e instrumentos de detección perfectos. Pasó la certificación lSO9001-2000 en 2000 y tenía los certificados y licencias importantes, incluida la licencia de diseño y fabricación de equipos especiales emitida por la Administración General de Supervisión de Calidad, Inspección y Cuarentena de China, ASME certificado de fabricación de recipientes a presión y UE Certificado CE. La empresa participó en el establecimiento de la norma nacional de tipo acumulador.

Detalles de producto

1. Descripción del producto
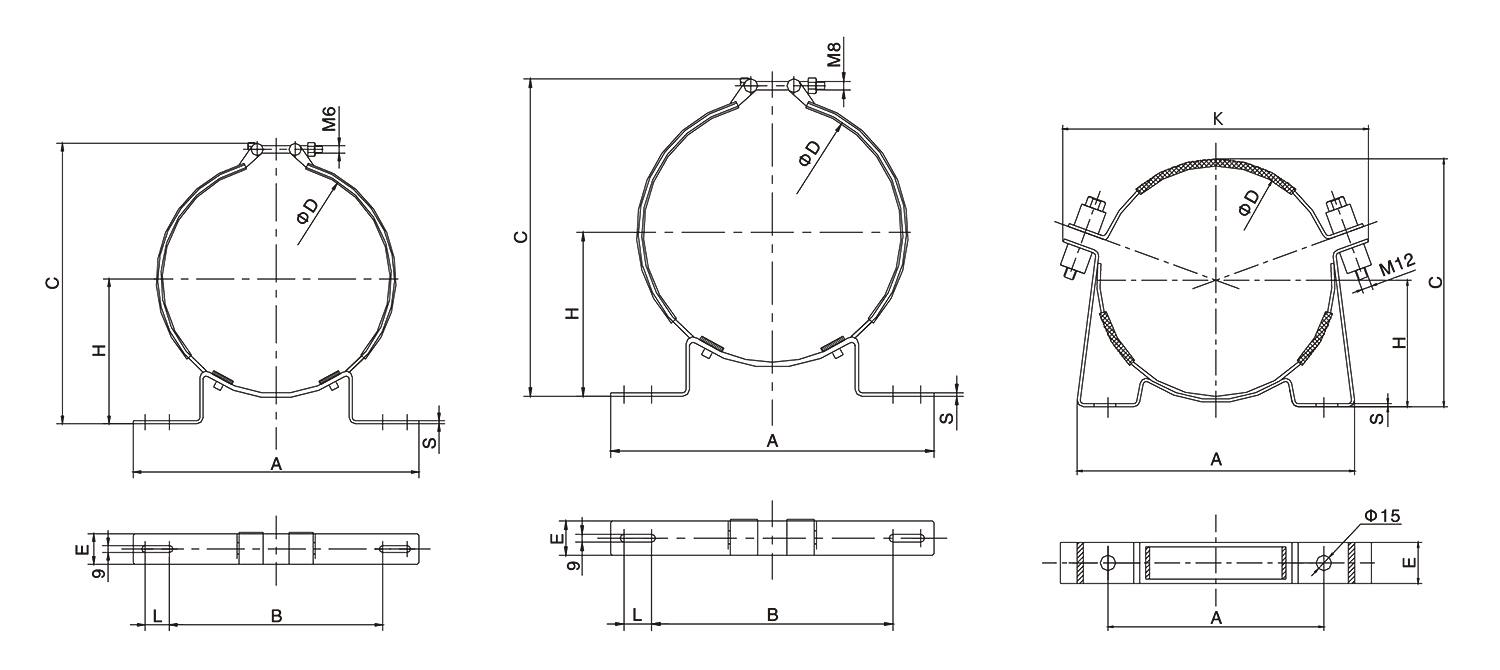
La abrazadera de fijación del acumulador es un dispositivo profesional diseñado específicamente para la fijación del acumulador. Tiene las características de estructura compacta, conexión flexible y apariencia hermosa. Los productos de la compañía se dividen en dos tipos: NX y NXJ.
2. Descripción del producto

3. especificaciones de estructura y tamaño

modelo

A

B

C

ΦD

H

mi

L

S

k

Modelo equipado con acumulador

peso

(Kg)

NXJ-A1

120

85

112

89-92

51-52.5

40

8

-

-

NXQ△-L0.4~L0.63

0.17

NXJ-A2

156

100

143

106-114

62.5-66

60

18

3

-

NXQ △~L1

0.41

NXJ-A3

156

100

191

152-159

87-91

60

18

3

-

NXQ △-L1.6~L6.3

0.46

NXJ-A4

236

152

256

216-224

120-124

60

32

4

-

NXQ △-L10~L40

0.77

NXJ-A5

332

280

322

299

190

40

015

4

370

NXQ △-L20~L100

2.05

NXJ-A6

422

360

378

351

192

40

015

4

415

NXQ △-L63~L200

4.40

  • 15000m²
    Área de fabrica
  • 1978
    Fundado
  • ISO 9001
    Certificacion de calidad
  • 45+
    País de exportación

Perfil de la empresa

Ningbo Chaori hidráulica Co., Ltd. está ubicada en la ciudad de Xikou del complejo turístico nacional AAAAA, Fenghua, Ningbo. La compañía cubre un área de 18000 metros cuadrados y ha sido equipada con máquinas de fabricación e instrumentos de detección perfectos. Pasó la certificación lSO9001-2000 en 2000 y tenía los certificados y licencias importantes, incluida la licencia de diseño y fabricación de equipos especiales emitida por la Administración General de Supervisión de Calidad, Inspección y Cuarentena de China, ASME certificado de fabricación de recipientes a presión y UE Certificado CE. como china Custom Abrazadera de aro NXJ para acumulador ,La empresa participó en el establecimiento del estándar nacional de tipo acumulador.

En 2005, la empresa estableció su propio centro de ingeniería e investigación y desarrollo. La empresa ha sido reconocida como empresa nacional de alta y nueva tecnología. Nos especializamos en la fabricación de diseño de componentes y sistemas hidráulicos. Ser miembro de la Asociación China de Hierro y Acero (CISA) en el campo de los equipos metalúrgicos y miembro de la Asociación China de Hidráulica, Neumática y Sellos.

Certificaciones

  • licencia de negocios

  • Licencia de diseño de equipo especial

  • Licencia de fabricación de equipos especiales.

  • Certificación del Sistema de Gestión de Calidad ISO Inglés

  • Certificado ASME-002

  • Certificación del sistema de gestión de la calidad ISO1

  • CE

Contáctenos